Avionics and Homemade RC Electronics
NightOwl Gyros | Drag Rudders | Servo Driver | HK 2.1 | Draganfly FETs | Mag8 ESC with SimonK | Lemon Receiver w/ RSSI + E-OSD RSSI Firmware | UHF Long Range | Immersion Vortex F1 Flight Controller | 5' Travel Wing Avionics | XP8103 iNav Flight Mode Switches | Flight Controllers | iNav & BetaFlight Versions | Relay Wing | iNav Compiles | Shadow Avionics
Several of these projects include a PIC 12C508 as the brains. The source code for each project is included, and the pinouts for the PIC are listed in the comments in the source code for each project. See my PIC development page for links to the necessary PIC compiler and PIC programmer software packages, both of which are is free. All you will need to buy is an inexpensive PIC programmer interface which connects to a serial port on your computer, and of course the PIC, wiring, resistors, and capacitors that make up each project.
NightOwl - Stabilizing 3-Axis Gyros with PIC 12C508 mixer
|
|
NightOwl versions 4 and 5 each have a 3-axis rate gyro stabilizer. There are four control surfaces on each NightOwl. Two horizontal surfaces move together and control pitch. Two vertical surfaces move together and control yaw. All four surfaces move together and control roll. The gyro stabilizers installed to versions 4 and 5 of the NightOwl are made from disassembled HK 401B rate gyros. These photos shows the gyro and mixer setup for NightOwl version 4. |
|
|
Three HK 401B gyros were taken apart, removed from their original boxes, and hot-melt glued together into a smaller package with each gyro rotated to the correct angle for its sensing axis. Gyro #1 senses roll, gyro #2 senses pitch, and gyro #3 senses yaw. The outputs of each gyro is routed to mixers. The first mixer is used for the horizontal control surfaces, for roll and pitch. The second mixer is used for the vertical control surfaces, for roll and yaw. Rx aileron output --> roll gyro --> roll stabilized PWM roll stabilized PWM + pitch stablized PWM --> mixer #1 --> left
horizontal surface + right horizontal surface |
|
|
NightOwl version 5 was actually the first NightOwl to receive stabilization with gyros. Because of the inherent slight variability of the timing circuits in all gyros, the use of three HK 401 gyros meant that the input to the mixers would slowly walk apart from each other, as each gyro's timer was not EXACTLY the same as the other gyros. The timing oscillator output on one gyro was connected to the other two gyros, and their timing oscillators were disconnected and overridden. This kept all three gyros on the exact same timing, and allowed the output of the gyros to be connected into two standard commercial mixers, which are the yellow objects in the photo. |
|
|
NightOwl version 4 received special home-made mixers were made from PICS with custom code that ignored the inherent timing problems that occur with separate timing circuits in independent gyros. This required that one mixing input come from a gyro set to high-speed digital output at 3 ms frame rate, and one mixing input come from a gyro set to normal speed output at 20 ms frame rate. The 20 ms frame rate was the master for input, and was also used for the output frame rate. The PIC source code for the timing independent mixers is here. Both versions worked great; these separate setups were done to test
if both methods would work. |
|
|
A final, smaller version of stability was completed on both NightOwl #4 and #5 via the use a 3-axis gyro stabilized receiver from Hobby King. The outputs of the receiver, already having gone through the receiver's internal gyro on each axis, are fed into the same commercial mixers originally used for NightOwl #5. Because all three internal gyros are already on the same timing circuit, no additional modifications are needed. This reduced the components from (receiver + 3 gyros + 2 mixers + special wiring : on the right in photo #2) to (receiver + 2 mixers + less wiring : on the left in photo #2). If you want to build a similar aircraft with three control surfaces (two elevons and a single rudder), as NightOwl's #1 through #3 were configured, you could even eliminate the 2 mixers, as the 3-axis stabilized receiver has the built-in ability to control elevon aircraft. |
PIC 12C508 Drag Rudder Controller
The PIC reads the rudder PWM output from the receiver, and extracts out the left and right commands to send to the separate servos on each wing tip. 1000 μs - 1500 μs = left rudder, 1500 μs - 2000 μs = right rudder. Since the left drag rudder only needs to move for left rudder command, and vice versa for the right rudder command, the PIC code translates all of this to individual commands for each servo. The PIC source code for the drag rudder controller is here.
1000
μs
to 1500
μs --> left yaw command from receiver
2000
μs
to 1500
μs from Rx = no left command --> PWM output =
1000
μs to
left drag rudder servo
1500
μs from Rx = no left command --> PWM output = 1000
μs to
left drag rudder servo
1500
μs
to 1000
μs from Rx = increasing left command
--> PWM output = 1000
μs - 2000
μs to left drag rudder servo
1000
μs from Rx = full left command --> PWM output = 2000
μs to
left drag rudder servo
1500
μs to 2000
μs --> right yaw command from receiver
1000
μs to 1500
μs from Rx = no right command --> PWM output = 1000
μs
to right drag rudder servo
1500
μs from Rx =
no right command --> PWM output = 1000
μs
to right drag rudder servo
1500
μs to 2000
μs from Rx = increasing right command
--> PWM output = 1000
μs - 2000
μs to right drag rudder servo
2000
μs from Rx = full right command --> PWM output = 2000
μs to
right drag rudder servo
|
|
The PIC reads three momentary pushbuttons as inputs, and drives three
outputs: a PWM for the servo, and two LEDS for status. The PIC starts at
1500
μs output, and has 100 positions available for output from 1000
μs to 2000
μs. One pushbutton increases the output by 10
μs, and one
pushbutton decreases the output by 10
μs, with safety bounds at 1000
μs and 2000
μs to avoid overdriving the servo. The third
pushbutton puts the PIC into status display, with one LED showing the current
PWM / 10, and the second LED showing the single digit remainder, starting
at 1000
μs.
The PIC
source code for the servo driver is here. Example of status display: At 1000 + 0010 μs (1.000 ms), push the status button and the LEDs will flash : #1 for 0 flashes, #2 for 1 flash. At 1000 + 0590 μs (1.590 ms), push the status button and the LEDs will flash : #1 for 5 flashes, #2 for 9 flashes. At 1000 + 1000 μs (2.000 ms), push the status button and the LEDs will flash : #1 for 10 flashes, #2 for 0 flashes. |
HK Multi-Copter 2.1 Flight Controller
The HK 2.1 rate gyro board was one of the first purpose-built boards designed for multicopters. Before these simple rate boards, multicopters were stabilized by independent rate gyros set up on separate axis and controlling separate ESC or servos, directly or via mixers. These boards have since been made obsolete by the newer HK KK 2.0 and later flight controllers, but they still work fine for other uses. OpenAero software 1.14.1 is available to install to these boards, and this software allows them to act as 3 axis rate gyro stabilizers. The source code is available here.
If you wish to modify this base software, you will need AVR Studio 4 or later (version 4.19 works well), available here. You will also need WinAVR, available here. Finally, you will need to modify a couple settings in AVR Studio to point to the correct locations for the toolchain and compiler. Instructions for those settings are available here. I have also posted all of these setup instructions to RC Groups.
One modification I made to the stock OpenAero firmware was to increase the required timeout period before entering programming mode via the optional LCD. This default period was about 2 seconds, which would enable the programming option. During acrobatics, it is possible to command the correct combination of stick inputs to get into this mode, which disables outputs. I discovered this accidentally while flying an acrobatic plane through a series of snaps. I just happened to hit the correct stick combination and held it for more than 2 seconds. Once the controller had entered programming mode (unknown to me), the plane kept the same control outputs and snapped up, over, and down, right into the ground. I increased the timeout to 20 seconds so this would never happen again. The source software can also be compiled for various wing types: normal, flying wing, and flaperons. I have a flying wing version with the programmable period bumped to 20 seconds in one of my flying wings for stability. Take a look at the source code and experiment with possibilities; many other modifications can be done.
Draganfly FET Interface with PIC 12C508
The original Draganfly quadcopter and its control board have been around for 20+ years. It uses three rate gyros, a custom circuit board with a PIC running custom code, and four FETS to drive four brushed motors. It was expensive, but it was all that was available to fly commercially for a long time. You can get orders of magnitude more performance now out of inexpensive brushless motors, BESCs, and off the shelf flight controllers, but it is still fun to play with these older electronics.
|
|
Experimenting with this hardware, I traced the wiring on the board
and O-scoped the inputs to the FET gates to see the range of signals
they receive. The PPM pulses going to the FETs last from 0
μs to
5800
μs. It was a simple matter to solder onto that connection, and
use a PIC to scale the 0
μs - 5800
μs pulse to a standard 1000
μs - 2000
μs
PWM pulse that is used to control servos and ESCs. I built four of
these converters and tested them to drive four servos from the Draganfly
board. The PIC source code for the Draganfly FET to PWM converter is here. |
|
|
I then used the Draganfly board and the converters to drive brushless ESCs and motors on a home-made quadcopter of similar size to the Draganfly. This worked fine electronically, but the gains were vastly different between the original brushed Draganfly setup and the brushless setup of the new quadcopter. A modification to the code in the PIC converters would allow variable gains (scaling of 0 μs - 5500 μs --> 1000 μs - 2000 μs) via a separate PWM input, but I have not gone back to make that addition to the code yet. It is still something to be done when I have the time. The original Draganfly board and converter board with four PICS, mounted to a simple frame, is shown the first photo. The original Draganfly frame with its brushed motors, and the new brushless motor frame with the adapted electronics is shown in the second photo. |
Hextronic/TowerPro Mag8 15-18A ESC with SimonK firmware
There are several version of this ESC, with two different combinations of FETs: pFETs + nFETS, or just nFETs, and different clock sources: 16 MHz external, 8 MHz external, 4 MHz internal. I traced the ATmega8 pinouts to each set of FETs on the Mag8 version that I own, but none of the definition files for the SimonK Mag8 alternatives ( tgy.inc, tgy6a.inc, tgy_8mhz.inc, tp.inc / tp_8khz.inc / tp_nfet.inc) matched these versions of Mag8s that I own for pinout to FETs or the external 16 MHz oscillator present. I figured I would have to make my own definition file and compile a special version of SimonK firmware for my Mag8 ESCs. However, after more searching, I found that the rct50a.inc and tp70a.inc FET definitions matched my Mag8 for pinouts, with the low side FETs inverted for TP70A. Both also specify a 16 MHz clock. The analog input channels (PC2/ACD2, PC3/ADC3, PC4/ADC4) to read the back EMF from each motor phase, the main voltage input (PC7/ADC7), and the PWM input on PD2 also match the connections on this version of the Mag8. The Mag8 ESCs that I have use a separate daughterboard for the 5V BEC, which is three 7805 voltage regulators wired in parallel. I have removed the BEC from these ESCs to save weight, since the 5V supply is not needed for the multi-rotors to which I have installed these ESCs. These photos show the top and bottom of the ESC with the 5V BEC daughterboard removed.
TP70A.inc definitions for ATmega8 pinouts:
; PORT D definitions *
;*********************
.equ ApFET = 7 ;o
.equ c_comp = 6 ;i common comparator input (AIN0)
.equ AnFET = 5 ;o
.equ BnFET = 4 ;o
.equ BpFET = 3 ;o
.equ rcp_in = 2 ;i r/c pulse input, opto-coupled, needs pull-up [This 18A Mag8
is not opto-coupled like the 70A version, but this does not impact the code
execution.]
.equ CpFET = 1 ;o
.equ CnFET = 0 ;o
; PORT C definitions *
;*********************
.equ mux_voltage = 7 ; ADC7 voltage input (44k from Vbat, 2.0k to gnd, 10.45V in
-> .448V at ADC7)
;.equ = 6 ; ADC6
;.equ = 5 ; ADC5
.equ mux_c = 4 ; ADC4 phase input
.equ mux_b = 3 ; ADC3 phase input
.equ mux_a = 2 ; ADC2 phase input
;.equ = 1 ; ADC1
;.equ = 0 ; ADC0
The TP70A version works in these ESCs; Hextronic must have wanted to use the same firmware in different ESCs, so they made the ATmega8 pinouts the same between the original version of the Mag8 15-18A and the TowerPro 70A ESCs. The faster update via OneShot125 and better ESC control inherent in SimonK allows for much higher gains on the multi-rotors with Mag8 ECS with SimonK firmware. Updating these ESCs from stock firmware to SimonK firmware made the difference between an unstable multi-rotor and stable multi-rotor with the exact same PID gains.
Lemon Telemetry Receiver with RSSI + HobbyKing E-OSD with updated firmware to display RSSI
Lemon Telemetry Receiver with RSSI (LM0051 / LM0052)
- LM0052 receiver includes altitude sensor with altitude & variometer
(climb/descent rate), receiver voltage, RSSI - all sent via telemetry to ground
- LM0051 does not include the altitude sensor & variometer
- additional telemetry supported :
- main battery pack voltage + main battery pack current - needs connection
to Lemon V/I sensor; need to calibrate this connection
- main battery pack voltage only - needs connection to main battery
pack positive lead; need to calibrate this connection
- temperature - needs temperature sensor
Set switch on DX9 for altitude voice readout.
Set switch on DX9 for main battery pack voltage voice readout.
Set switch on DX9 for Rx voltage voice readout.
Set alarm on DX9 for low main pack voltage.
Set alarm on DX9 for low receiver voltage. This receiver needs 4.5 volts
to function, so set the alarm level a little higher, at 4.7 volts. ESC BEC
output should
always be at 5.0 volts.
Set audio tone on DX9 for variometer report; you can set the up and down rates
in ft/sec where tones will start.
- RSSI (received signal strength indicator) is down-linked via telemetry, and
is also output at the receiver via an analog pin
with 0-3V range = 0 - 100% RSSI
HOWEVER (!), the RSSI value down-linked in the telemetry stream is NOT displayed as RSSI; it is displayed as FlightLog - A, which is signal strength for the main receiver. This is annoying, as there is no way to set up an audible alarm on the DX9 for FlightLog - A, while an audible alarm can be set for RSSI. I confirmed this with the latest Spektrum firmware Airware version installed to my DX9 as of July 2020.
I contacted Lemon about this in July 2020. The response was that Lemon had implemented RSSI before Spektrum had added RSSI to the Spektrum telemetry stream, so Lemon used the best available data field at the time, which was FlightLog - A. When Spektrum added RSSI to Spektrum receivers, they included RSSI in a different data field labeled 'RSSI', and enabled the alarms on Spektrum transmitters on that new field. Lemon plans to release newer versions of their RSSI receivers, and will be putting RSSI into the same data field that is used by Spektrum. With these new Lemon receivers, the same low RSSI alarm will be able to be programmed on Spektrum telemetry-enabled transmitters, as can be done with Spektrum receivers.
Set audio alarm on DX9 for low RSSI. - cannot be done yet,
Lemon-reported RSSI not a valid telemetry audio option (!) from V1 receivers
Set switch on DX9 for FlightLog-A voice readout. - cannot be done yet, Lemon-report
RSSI not a valid telemetry voice option (!) from V1 receivers
The analog 0-3V RSSI output can be read by a flight controller or an on-screen
display (OSD) video overlay.
Using the
E-OSD from HobbyKing :
https://hobbyking.com/en_us/hobbyking-e-osd.html
There is a free firmware upgrade available for the E-OSD, called
CL-OSD firmware.
-
https://code.google.com/archive/p/cl-osd/wikis/Programming.wiki
-
https://www.rcgroups.com/forums/showpost.php?p=26238951&postcount=3213
-
https://oscarliang.com/e-osd-flash-firmware-rssi-display-using-arduin/
This new firmware needs to be flashed to the E-OSD ATmega88 processor. You
will need to solder connectors to the 6 pin ISP headers on the E-OSD. They are
defined here:
http://static.rcgroups.net/forums/attachments/3/1/3/1/1/2/a4051434-140-E-OSD.jpg
These photos show the E-OSD with the 6 pin ISP connections on the E-OSD. I had a spare board and just wired them with the same pinout that is used by a USBASP. The videos show flights on 26 July 2020 and 7 August 2020 at the RCMB flying field with this setup in a 5' flying wing.
The new firmware is flashed with the application AVRDude, which is available for Windows, Linux, Mac. AVRDude can be used to flash many ATMega chips on Arduinos, ESCs, flight controllers.
The AVRDude command line options are explained here:
-
https://www.nongnu.org/avrdude/user-manual/avrdude_4.html
If programming with a USBASP (same USBASP which is used for a HobbyKing KK 2.1 flight controller), the command line is:
>avrdude
-P usb -c usbasp -p ATmega88P -v -e -U flash:w:cl-osd.hex -U eeprom:w:cl-osd.eep
This assumes you have the two files to flash located in the same directory as AVRDude. The individual command line options are:
-P usb -c usbasp (port = usb, programmer = usbasp)
-p ATmega88P (CPU =
ATmega88P)
-v
(verbose output to display everything - this is useful for debugging problems,
but not mandatory)
-e (erase; need to toggle everything to 0 before writing)
-U flash:w:cl-osd.hex (write to flash
memory,
"cl-osd.hex" is the executable)
-U eeprom:w:cl-osd.eep (write to eeprom
memory,
"cl-osd.eep" is the eeprom memory - this is the character set / font used for the video
overlay)
You MUST write both files to the ATmega88P, because the executable relies on the character set as the display font.
Once the new firmware has been flashed to the E-OSD, you connect video, main battery pack voltage, and the 0-3V RSSI voltage from the Lemon receiver to the E-OSD. Main voltage goes to battery input #1 and RSSI voltage goes to battery input #2.
To display RSSI as an overlay in video downlink, you need to calibrate low and high RSSI voltage
values.
If you wish for the main battery pack voltage to flash at a low level, you need to calibrate low voltage value
for that flashing alarm.
Calibration of each of these values is explained here:
https://www.rcgroups.com/forums/showpost.php?p=26238951&postcount=3213
HobbyKing Orange UHF 915 MHz and 433 MHz Long Range Datalinks using OpenLRSng software
|
I have an Orange UHF 1 watt 915 MHz transmitter module which can drop right into the RF module section of my JR XP8103 radio. The transmitter module is running Open LRSng (long range system - next generation) software, available here at Github. I previously also had an Orange UHF 1 watt 433 MHz transmitter module, but decided to use only the 915 MHz equipment, so I sold the 433 MHz equipment. The photos to the right show all the modules I originally purchased on which to experiment when HobbyKing had a good sale. I replaced the stock whip antennas with home-made dipole antennas on everything except for the 915 MHz transmitter, which has a FrSky Super 8 antenna. These various modules have RF output power levels that range from 100 mw to 1 watt, depending on the transceiver module and supply voltage. Details on how to build the homemade receivers are below. |
|
|
1. 915 MHz Tx, RFM23B @ 6V [1 watt],
Orange Tx with 6V
DC-DC converter & capacitor added, Super 8
antenna - uplink range of 10.75 miles at 1 watt - downlink range of 6.8 miles at 400 mw - downlink range of 3.4 miles at 100 mw Details on receivers #6 and #7 @ 915 MHz: I have two Orange 9ch receivers that were both originally 433MHz receivers. Those two receivers are shown in the top photos on the right, and they use the RFM22B transceiver, which is rated at 100 mw RF maximum output. I swapped the RFM22B 433MHz RF modules for RFM22B 915MHz RF modules, and re-flashed the ATmega328P processors with 915 MHz receiver firmware. As of February 2020, HobbyKing was selling the Orange 9ch 433 MHz receiver for $13. The RFM22B 915 MHz RF modules can be found on eBay for about $7 shipped. After a little soldering, that gives you a small, long range 915 MHz receiver with RSSI and telemetry for $20. 915 MHz Range Tests: During a flight test in April 2021 using the Orange 915 MHz transmitter with a Super 8 antenna, and an Orange 915 MHz transmitter modified to be a receiver, with a homemade 915 MHz dipole antenna, the wing reached 1950 feet altitude and 1551 feet ground range, for a total line of site distance of 2491 feet. The received signal strength indicator (RSSI) was 73% at this point. During a second flight test in April 2021 using the Orange 915 MHz transmitter and a homemade 915 MHz receiver with the RFM22B transceiver module, with the same antennas as above, the wing reached 1463 feet altitude and 1213 feet ground range, for a total line of site distance of 1900 feet. The received signal strength indicator (RSSI) was 68% at this point. During a third flight test in April 2021 using the Orange 915 MHz transmitter and one of the Orange 9ch receivers, which I had converted from 433 MHz to 915 MHz, with the same antennas as above, the wing reached 1530 feet altitude and 757 feet ground range, for a total line of sight distance of 1707 feet. The received signal strength indicator (RSSI) was 71% at this point. |
![]() ![]() ![]() |
|
Details on #2 @ 433 MHz:
The older version Orange 100 mw 433 Mhz transmitter module
was configured as a receiver. Using dipole antennas tuned to 433 MHz wavelength, the
433 MHz equipment has a calculated: 433 MHz Range Test: |
![]() |
The Orange Open LRSng transmitter module's hardware for each frequency is identical, except for the HopeRF RFM23BP transceiver which is tuned to 433 MHz or 915 MHz. Open LRSng software also supports the RFM23BP 868 MHz transceiver, if you want to operate in that band. They are listed as having a 1 watt RF output, but these “1 watt” transmitter modules do not really provide 1 watt RF output in their stock configuration. The voltage regulator on the board only supplies 3.3 volts to the RF transceiver, which then provides an RF output of around 400 mw. That RFM 23BP transceiver is rated at 1 watt RF output at 5.5 to 6 volts input, so the only way to get 1 watt RF actual output is to bump up the voltage input to between 5.5 to 6 volts. You have to be careful how you do this, because other components on the board will get fried at 5.5 volts. I have added an adjustable DC-DC converter set at 5.5 volts, with a large capacitor to keep a smooth supply. This 5.5 volts goes just to the RF section of the transceiver module, isolated from the rest of the board. This DC-DC converter and capacitor are protected in shrink wrap, and sits inside the transmitter module, shown to the right. You can see the power input to the RF section on the red wire in the bottom center of the photo. That trace which now has 5.5 volts running to it has been cut on the board to isolate the RF transceiver power from the rest of the board. The built-in 3.3 volt regulator powers everything on the board, except for the RF section of the RFM23B transceiver, which is powered at 5.5 volts from the added DC-DC converter. |
|
| I have several additional Orange 1 watt 915 Mhz transmitter modules configured as receivers, having re-flashing them with Open LRSng 915 MHz “use transmitter as receiver” software. Leaving the 3.3 volt power supply unaltered on the "receiver" modules for simplicity sake, they are good for about 400 mw downlink, but still provide very long range telemetry and include RSSI. The "receiver" modules are wired to accept 6 – 12 volts input on a JST connector, and provides PPM output on a standard 3-pin servo connector. There is normally a transistor controlling the built-in buzzer on these "receiver" modules. The pin from the ATmega328P processor that controls the buzzer is also the one pin that can supply PPM output, so you have to de-solder that transistor if you don't want the buzzer running all the time when PPM is output on that pin. I run this PPM signal to a flight controller running iNav software. |
|
Homemade OpenLRSng Receiver
You will need an Arduino Pro Mini running at 16 Mhz, and an RFM22B or RFM23B UHF module at 433 Mhz, 868 MHz, or 915 MHz; whichever frequency you are using. The pinouts on the RFM22B and RFM23B are the same. The RFM22B is powered at 3.3 volts and provides 100mw (20 dBm) of RF output power. The RFM23B is powered by 3.3 to 6 volts and provides up to 1 watt (30 dBm) of RF output power. While the RF portion of the RFM23B can be powered by more than 3.3 volts, the digital control pins MUST be powered at 3.3 volts, so the Arduino Pro Mini that controls the RFM23B must be powered at 3.3 volts, so that its digital outputs will be at 3.3 volts. If you power the Arduino at 5 volts, it will send digital control signals at 5 volts, which will degrade and damage the control circuitry of the RFM23B. If you want the full RF power of 1 watt from the RFM23B, it must be powered at 5.5 to 6 volts, but again, only the RF module can be powered by more than 3.3 volts - the controlling CPU must be powered by 3.3 volts so the digital IO it sends the RF module is at 3.3 volts.
|
The final receiver, a combined Arduino and RF module, is shown in the left photo connected to an ARM F1 flight controller. The receiver sends a PPM signal to the FC via two wires: ground and signal. The PPM output from the Arduino is run to an ARM F1 flight controller running iNav in this example, but any FC that accepts PPM will work. The OpenLRSng software is also capable of outputting several different serial signals, including Spektrum satellite and SBUS. You would use the serial Tx pin from the Arduino for that connection. I built the first two homemade receivers with RFM22B transceiver modules using a soldered, permanent antenna connection. After building those first two receivers, I reworked the PCB layout to add a SMA connector for removable antennas for later receivers. The front and back of this final layout is shown to the right. That turned out so nicely that I went back and changed part of the traces on the first two receivers to allow the same SMA connectors to be used to allow removable antennas. |
|
|
|
Using the connections above, you must use the type 2 receiver board software available on the OpenLRSng website. You flash this software to the Arduino Pro Mini using either the OpenLRSng Configurator or AVRDude. The syntax for the AVRDude command line when using an USBASP programmer is: >avrdude -p m328p -P usb -c usbasp -e -U flash:w:RX-2-bl.hex -U lfuse:w:0xFF:m -U hfuse:w:0xDE:m -U efuse:w:0x05:m -p 328p (CPU = ATMega328P processor on an Arduino Pro Mini board) -P USB -c usbasp (port = USB, programmer = USBASP) -e (erase; need to toggle everything to 0 before writing) -U flash:w:RX-2-bl.hex (upload and write the OpenLRSng executable (.hex) file to flash memory) -U lfuse:w:0xFF:m (sets the low fuse byte to 0xFF) -U hfuse:w:0xDE:m (sets the high fuse byte to 0xDE) -U efuse:w:0x05:m (sets the extended fuse byte to 0x05) The three fuse bytes must be set correctly to allow the program to run at the correct clock speed and use the proper resources on the processor. This web page details the fuse bits: https://github.com/openLRSng/openLRSng/blob/master/README.md |
|
|
Immersion Vortex F1 Flight Controller with OSD and barometric pressure sensor
I have this same information available at RCGroups here.
|
HobbyKing had a sale on the Vortex F1 flight controller for $5. https://hobbyking.com/en_us/vortex-f...c-osd-pcb.html I know you can buy just about any F1 FC for around $10, and F3 and F4 FCs for just a little more. I still wanted to see if this FC could be made to work on another multicopter, so I bought a few to experiment with. The Fusion Vortex F1 FC (gen 1) board has two ARM F1 processors and a baro pressure sensor for altitude. ARM F1 #1 runs the flight controller. The earliest version of FC firmware was stock NAZE, but the last version is a special compile of BetaFlight 3.1.7. ARM F1 #2 runs the OSD and also acts as an intermediary between the USB connection and the FC ARM. |
|
If you want the latest FC and OSD firmware, you can download it from Immersion
RC here. Select Firmware / Downloads at the bottom of the page:
https://www.immersionrc.com/fpv-prod...x-racing-quad/
Latest firmware release Vortex_285_OSDv1.0.0.43_BFv3.1.7.zip, includes:
- OSD firmware 1.0.0.43
- IRCFUSIONF1.hex (BetaFlight 3.1.7)
You will also need the Immersion utility software available at this same page:
- Vortex Configurator v0.0.1.7
- IRCDrivers (x86 or x64) for 32 or 64 bit OS
- IRCRool v1.42.5
Once you have the OSD firmware installed, you will need a copy of BetaFlight
Configurator 10.4.0 to flash FC Betaflight firmware (IRCFUSIONF1.hex). You can
get that here:
https://github.com/betaflight/betafl...ses/tag/10.4.0
|
|
CN4:
1 - GND
2 - M6 ESC PWM signal
3 - M1 ESC PWM signal
4 - M2 ESC PWM signal
5 - M4 ESC PWM signal
6 - M5 ESC PWM signal
7 - N/C
8 - 5V
9 - Battery pack resistor divider output. I tried a 10k/1k divider and the
voltage as displayed by the OSD was not correct, and the voltage as shown in
BetaFlight configurator was also incorrect with a different wrong value. It may
be something like 10k/3k, but I have not tried other resistor values to find the
correct ratio.
10 - M3 ESC PWM signal
11 - LED Board RX
12 - LED Board TX
CN5:
1 - GND
2 - RX PPM
3 - GPS RX
4 - GPS TX: GPS TX goes to this pin - for a serial receiver, the serial receiver
Tx goes to this pin. Make sure to use a correct voltage adaptor, as serial sat
receivers run on 3V3, and the FC board requires 5V.
5 - VTX AL6.0 (Fusion board output)
6 - USB D-
7 - USB D+
8 - Video Input
9 - Video Output (includes OSD)
10 - VTX CS1
11 - VTX CS2
Steps:
Make USB connection for flashing new firmware (OSD + BF)
Flash both ARM F1's.
Unplug USB connection.
Provide power from 5V source with USB not active.
Have a PPM receiver connected to proper connections (5V, PPM, GND) or serial
receiver connected to GPS serial connector (with correct voltage adaptor, as
DSM2 and DSMX satellite receivers run on 3V3).
Once done with the TxWizard process, all modifications to BetaFlight can be done with BF
Configurator, and some BF modifications can be done with OSD menu system:
- you can adjust the PIDs at field via OSD - this is nice capability
- ex: can change mixer (up to any 6 channel multicopter) via BetaFlight-Config
- ex: can change modes and channel controls for each mode (like arm/disarm on
switch instead of stick movement)
- alter anything via BetaFlight-Config and it will remain as set by
BetaFlight-Config until TxWizard is run again
- if you do have to re-run TxWizard, it will reset everything in BetaFlight to
defaults, so you will have to redo all BetaFlight-Config changes
Note that all modifications to the OSD layout are done with the OSD menu.
BetaFlight-Config does not affect the OSD, which is completely separate from any
BetaFlight-OSD settings.
To verify that the OSD ARM F1 will not be modifying anything after TxWizard is
complete, I soldered onto the serial connection from the OSD ARM F1 to the FC
ARM F1. I used RealTerm and monitored the UART Tx from the OSD ARM to the FC ARM
to see the actual MultiWii Serial Protocol (MWSP) commands and requests sent to
FC at boot.
- before TxWizard has been run, the OSD resets several items within BetaFlight
every time it boots, so once you have everything wired together and a receiver
bound to your transmitter, TxWizard should be your first step in the setup
process
- after TxWizard is complete, the OSD does not reconfigure anything at boot
- attached is a photo of the wiring connection for COM monitoring with a FTDI
adaptor, serial setting is 8-n-1, 115200 baud
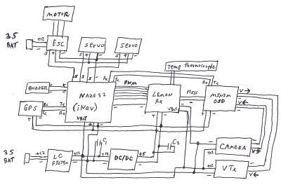
5' Travel Wing Avionics (first configuration : Flip32 F1 running iNav 1.7.2 + PPM Rx)
Most of my FPV aircraft have some type of flight controller or stabilization. I have installed a slightly unique setup to my 5' wingspan flying wing, which I built to be disassembled so I can take it apart and fit it in my luggage for traveling. This setup uses an AcroFlight Naze32 rev 6 flight controller running a special compile of iNav 1.7.2, a micro MinimOSD running MWOSD 1.6 firmware, a Lemon LM00052 DSMX receiver with telemetry, and GPS receiver.
The Lemon DSMX receiver, in addition to supporting telemetry downlink back to my Specktrum DX-9 transmitter, also supplies an analog signal for received signal strength indicator (RSSI). RSSI is used to determine the strength of the uplink control signal. I used this same receiver and its RSSI output for the setup above on this page where the RSSI signal is read by special software running on a HobbyKing E-OSD video overlay device. I wanted to add a full flight controller to this flying wing, and continue to take advantage of the Lemon RSSI output.
| The AcroFlight Naze32 rev 6 flight
controller runs the same special compile version
of iNav 1.7.2 that I run on all my Flip32 flight
controllers,
as
detailed here. This FC has a full IMU,
barometric pressure sensor, and magnetometer,
but I have turned off the magnetometer for this
fixed wing non-hovering application.
Position data comes from a GPS receiver
installed at the far right wingtip. This
keeps the GPS receiver away from the main
avionics in the center of the wing, and the
5.8GHz video transmitter in the far left
wingtip. The FC also monitors the main
battery voltage (VBAT), which is included in the
data sent to the OSD. Main 3S lipo battery power at 12V is cleaned by a 3 amp LC filter, and then dropped down to 5V for the avionics by a DC/DC converter with smoothing 24V, 330 uF capacitors (C1 & C2) on each side. I originally had a 7805 regulator with a heat-sink, but even with the minimal current requirements of just the GPS, FC, RC Rx, and OSD, it got too hot for taste. The ESC BEC provides isolated 5V power for the two elevon servos. I like to keep avionics and servo power separate. The diagram shows two 3S battery inputs, but that is just to display the divide between avionics and motor/servo power. All power comes from a single 3S lipo battery. The Lemon RC receiver supplies RSSI as an analog 0 - 3V output signal. This version of the Lemon receiver does not include a PPM output, so I either had to install a PWM to PPM converter to get that signal into the FC, or use 6 separate PWM inputs to the FC (throttle, aileron, elevator, rudder, aux1, aux2). Since this FC supports PWM input, I used that method. This Lemon receiver also separately monitors main battery voltage, receiver-avionics voltage, altitude, and an external temperature thermocouple. All these values are sent in the telemetry downlink, and I have my DX-9 configured to use voice output to read these values out by toggling a switch on the radio. Video overlay information is supplied to the micro MinimOSD via a serial connection. The analog RSSI 0-3V signal and 5V avionics power are monitored by the OSD hardware and included in the video overlay. |
![]() |
5' Travel Wing Avionics (second configuration : Flip32 F3 running iNav 2.6.1 + Crossfire Rx)
JR XP8103 Transmitter with Flight Mode Switches
| I have various flight controller hardware
installed to my multi-rotor and fixed wing FPV
aircraft. I use BetaFlight software on all
my multi-rotor aircraft, and iNav software on
all my fixed wing aircraft. The various
flight modes for autopilot control in each
software package are set using RC auxiliary
channels (usually channels 5 and higher), with
each flight mode set within a specific region of
that channel's command. For example,
channel 6 may normally be used for flap control
with the three available switch locations used
to command three discrete flap throws: flaps up
/ flaps at takeoff / flaps down, or something
similar. Using those same three positions
with iNav, position #1 is used to command manual
mode (no flight controller stabilization),
position #2 is used to command rate mode, and
position #3 is used to command horizon mode.
These are the three basic flight modes for iNav. There are many more flight modes available, most of which make use of an altitude sensor and GPS to allow automatic navigated flight to specific locations and altitudes. These navigated flight modes are normally commanded via multiple 3-position switches, but the XP8103H only has one 3-position switch, with the rest being 2-position (gear, throttle hold, dual rates) or continuously variable dials (hover pitch, hover throttle, pitch trim). The continuously variable dials could be used to set multiple flight modes, but you would have to ensure you have the dial set to a specific location as you turn it, which can be tricky as you are flying. I have modified my XP8103 on channel 8 to include an input select switch and discrete push-button box. With the select switch (the small red switch next to the channel 8 hover pitch control dial) set to position #1, the channel 8 input comes from the normal RC dial on the top left of the transmitter. With the select switch set to position #2, the channel 8 input comes from the push-button carbon fiber box attached to the top of the transmitter. This box contains five momentary-on push buttons, a programmable integrated circuit (PIC) 12C508 running custom software I wrote, and some electronics that mimic the potentiometer of the channel 8 control dial. The PIC 12C508 has six input/output pins; I have five pins connected to the pushbuttons and one pin connected to drive an output signal with a variable duty cycle. Whenever a button is pressed, the PIC output pin is set to high (5V) or low (0V), at various duty cycles at an update rate of 250 hz (40 ms frame rate). Whatever was the last button pressed remains the command until a new button is pressed. You can see the output for each switch command on AUX3 in the photos below; ATV has been set to 125% for AUX3. Button #1 = 0% duty cycle (always 0V) = no navigation flight modes are turned on (manual / pass-through) Button #2 = 25% duty cycle (5V for 10 ms, 0V for 30 ms) = rate mode Button #3 = 50% duty cycle (5V for 20 ms, 0V for 20 ms) = horizon mode (auto-level) Button #4 = 75% duty cycle (5V for 30 ms, 0V for 10 ms) = position and altitude hold (loiter in a circle) Button #5 = 100% duty cycle (always 5V) = return home A resistor-capacitor (RC) filter, with R = 15K to 21K ohm, C = 10 uF, is used to smooth off this duty cycle 'flickering' output to a smooth value that is fed back to the transmitter where it normally receives the channel 8 potentiometer input. Tau ( RC filter time constant ) = .15 to .21 seconds with these values, which works nicely with the 250 hz update rate of the PIC output. There is still a small amount of 'flickering' using this setup as the RC filter charges and discharges at the 25% / 50% / 75% duty cycles, but it only amounts to a few microseconds at the final PWM output from the receiver. Each iNav mode setting is defined within a small range, and this tiny variation does not matter. There are different ways to improve this setup; a more powerful PIC or even an Arduino with more IO could be used, the PIC 12C508 five input pins could be multiplexed to allow 6 switch selections, and a real digital potentiometer could be used to drive the final output instead of a simple RC filter. However, I kept it simple, this works for me, and I already had all the electronics in my parts bins. The PIC source code and executable .hex file are available here for download, along with a schematic of the whole thing. More information on use of the PIC 12C508 in other projects is available here. |
![]() ![]() |

I have almost 50 flight controllers in my FPV airplanes and multi-rotors, with several different types of F1, F3, F4, and F7 flight controllers: Naze32 F1, Flip32 F1, Fusion Vortex F1, CC3D F1, Flip32 F3, SP Racing F3, Omnibus F4, CL Racing F4, Furious Racepit F4, Matek F7, and Aikon F7. My fixed wing aircraft are controlled by flight controllers running iNav software, and my multi-rotors are controlled by flight controllers running BetaFlight software.
|
Fixed Wing : Line Of Sight (LOS) and First Person View (FPV) |
|||||||||||||||||||||||||||||||||||||||||||||||||||||||||||||||||||||||||||||||||||
| Aircraft | Flight Controller + Built-In Sensors, Software, Additional Sensors | Receiver, Video Transmitter Control | |||||||||||||||||||||||||||||||||||||||||||||||||||||||||||||||||||||||||||||||||
|
5.5'
Wing FPV 5' Travel Wing FPV Talon FPV NanoTalon FPV Reptile 800 Wing FPV Paragon FPV 6' Wing LED LOS Nightflyer Bixler FPV 7' Wing FPV 6' Wing FPV -- -- |
Flip32 F1 + baro, iNav 1.7.2, MWOSD 2.0,
+ GPS Flip32 F1 + baro, iNav 1.7.2, MWOSD 2.0, + GPS (details) Flip32 F1 + baro, iNav 1.7.2, MWOSD 2.0, + GPS Flip32 F1 + baro, iNav 1.7.2, MWOSD 2.0, + GPS Flip32 F1 + baro, iNav 1.7.2, MWOSD 2.0, + GPS Flip32 F1 + baro, iNav 1.7.2, MWOSD 2.0, + GPS Flip32 F1 + baro, iNav 1.7.2, No OSD, + GPS Flip32 F1 + baro, iNav 1.7.2, MWOSD 2.0, + GPS Flip32 F1 + baro, iNav 1.7.2, MWOSD 2.0, + GPS Flip32 F1 + baro, iNav 1.7.2, MWOSD 2.0, + GPS Flip32 F1 + baro, iNav 1.7.2, MWOSD 2.0 Flip32 F1 + baro, iNav 1.7.2, MWOSD 2.0 |
Crossfire
Nano,
Crossfire
Rx SmartAudio
SOLD Crossfire Nano, Crossfire Rx SmartAudio Crossfire Micro, Crossfire Rx SmartAudio SOLD Crossfire Nano, Crossfire Rx SmartAudio Crossfire Nano, Crossfire Rx SmartAudio Crossfire Nano, Crossfire Rx SmartAudio Crossfire Nano, No FPV Spektrum PPM, Boscam VTx SOLD Spektrum PPM, Boscam VTx Spektrum PPM, Boscam VTx GAVE AWAY -- -- |
|||||||||||||||||||||||||||||||||||||||||||||||||||||||||||||||||||||||||||||||||
|
Penguin FPV RQ-7A Shadow 1/2 Scale FPV -- |
Flip32
F3, iNav 2.6.1,
MWOSD 2.0, + baro + GPS Flip32 F3, iNav 2.6.1, MWOSD 2.0, + baro + GPS (details) SP Racing F3 + baro, iNav 2.6.1 |
Crossfire
Micro,
Crossfire
Rx
SmartAudio
SOLD Crossfire Micro, Crossfire Rx SmartAudio -- |
|||||||||||||||||||||||||||||||||||||||||||||||||||||||||||||||||||||||||||||||||
|
6' Wing
Relay
FPV TBS Caipirinha FPV 6' Travel Wing FPV |
Omnibus
F4 V3 +
baro,
Nav
7.1.1, +
GPS Omnibus F4 3.2.0, iNav 7.1.1 custom compile, + baro + GPS ARTower F4 Plus, iNav 7.1.1 custom compile, + GPS |
Crossfire
Nano,
Flight
Controller
SmartAudio Crossfire Nano, Flight Controller SmartAudio Crossfire Nano, Flight Controller SmartAudio |
|||||||||||||||||||||||||||||||||||||||||||||||||||||||||||||||||||||||||||||||||
|
8.5'
Wing FPV Razor FPV F-27 Stryker Yellow FPV |
Rate Gyros Lemon Stabilized Receiver + satellite Lemon Stabilized Receiver + satellite |
Spektrum PWM Spektrum PWM Spektrum PWM |
|||||||||||||||||||||||||||||||||||||||||||||||||||||||||||||||||||||||||||||||||
|
Multi-Rotor : Line Of Sight (LOS) and First Person View (FPV) |
|||||||||||||||||||||||||||||||||||||||||||||||||||||||||||||||||||||||||||||||||||
|
Quadcopter
Racer
250 FPV Hexacopter 2410 LOS Hexacopter Flamewheel LOS |
Fusion
Vortex
F1 +
baro,
BF 3.1.7 Fusion Vortex F1 + baro, BF 3.1.7 Fusion Vortex F1 + baro, BF 3.1.7 |
Spektrum
617XL
PPM
SOLD Spektrum 617XL PPM SOLD Spektrum 617XL PPM SOLD |
|||||||||||||||||||||||||||||||||||||||||||||||||||||||||||||||||||||||||||||||||
|
Hexacopter
2205 #1
FPV Hexacopter 2205 #2 FPV Quadcopter 2408 LOS |
Flip32
F1 +
baro,
BF
3.1.7,
MWOSD
2.0 Flip32 F1 + baro, BF 3.1.7, MWOSD 2.0 Flip32 F1 + baro, BF 3.1.7, MWOSD 2.0 (No FPV) |
Spektrum
617XL
PPM Spektrum 617XL PPM Spektrum Micro PPM SOLD |
|||||||||||||||||||||||||||||||||||||||||||||||||||||||||||||||||||||||||||||||||
|
Quadcopter
17"
LOS (4008-620kv
4S) Quadcopter 18" LOS (4225-390kv 6S) |
Naze32
F1,
BF 3.1.7 Naze32 F1, BF 3.1.7 |
Spektrum 618XL PPM Spektrum 618XL PPM |
|||||||||||||||||||||||||||||||||||||||||||||||||||||||||||||||||||||||||||||||||
|
A-Tail
2410 LOS Pentacopter 2205 #1 FPV Pentacopter 2205 #2 FPV |
CC3D F1,
BF 3.1.7 Afro CC3D F1 + 4in1 ESC, BF 3.1.7, MWOSD 2.0 (MicroMinim) Afro CC3D F1 + 4in1 ESC, BF 3.1.7. MWOSD 2.0 (MicroMinim) |
Spektrum 617XL PPM SOLD Spektrum 617XL PPM Spektrum 617XL PPM |
|||||||||||||||||||||||||||||||||||||||||||||||||||||||||||||||||||||||||||||||||
|
Quadcopter
210 #1
FPV Quadcopter 210 #2 FPV Quadcopter 210 #3 FPV Quadcopter 210 #4 FPV Quadcopter 210 #5 FPV |
SPRacing
F3 EVO +
baro +
mag,
BF
4.0.6,
MWOSD
2.0 SPRacing F3 EVO + baro + mag, BF 4.0.6, MWOSD 2.0 SPRacing F3 EVO + baro + mag, BF 4.0.6, MWOSD 2.0 SPRacing F3 EVO + baro + mag, BF 4.0.6, MWOSD 2.0 SPRacing F3 EVO + baro + mag, BF 4.0.6, MWOSD 2.0 |
Spektrum
Satellite Spektrum Satellite Spektrum Satellite Spektrum Satellite Spektrum Satellite |
|||||||||||||||||||||||||||||||||||||||||||||||||||||||||||||||||||||||||||||||||
| -- | Sirin F3 w/ 200 mw VTx, BF 4.0.6 | -- | |||||||||||||||||||||||||||||||||||||||||||||||||||||||||||||||||||||||||||||||||
|
Floss 5"
FPV Floss 5" FPV -- -- |
DroneArt F3 + DSMX Rx + 4in1 ESC, BF 3.2.3 (details) DroneArt F3 + DSMX Rx + 4in1 ESC, BF 3.2.3 DroneArt F3 + DSMX Rx + 4in1 ESC, BF 3.2.3 DroneArt F3 + DSMX Rx + 4in1 ESC, BF 3.2.3 |
Spektrum 617XL
PPM Spektrum 617XL PPM -- -- |
|||||||||||||||||||||||||||||||||||||||||||||||||||||||||||||||||||||||||||||||||
|
Quadcopter
130 FPV Quadcopter 149 FPV Hyperlow 5" FPV Flycyle Glide 5" FPV -- -- -- |
Omnibus F4 AIO, BF 4.4.3 Omnibus F4 Nano, BF 4.4.3 DYS Omnibus F4 Pro, BF 4.5.1, + GPS CL Racing F4, BF 4.5.1, + GPS Furious Racepit F4 V1.1, BF 4.4.0, + baro Furious Racepit F4 V1.1, BF 4.4.0, + baro Omnibus F4 AIO, BF 4.4.0 |
Spektrum
4649T
SRXL,
Flight
Controller
SmartAudio Spektrum 4649T SRXL, Flight Controller SmartAudio Crossfire Sixty9, Crossfire Rx SmartAudio Crossfire Nano, Crossfire Rx SmartAudio -- -- -- |
|||||||||||||||||||||||||||||||||||||||||||||||||||||||||||||||||||||||||||||||||
|
Hexacopter
Camera
550 FPV Quad Long Range 10" FPV (3506-650kv 4S) -- |
Matek
F722 STD
+ baro,
iNav
7.0.0, +
GPS +
mag Aikon F7 V2, BetaFlight 4.5.1, + GPS Matek F722 SE + baro |
Crossfire
Diversity,
Crossfire
Rx SmartAudio Crossfire Nano Diversity, Flight Controller SmartAudio -- |
|||||||||||||||||||||||||||||||||||||||||||||||||||||||||||||||||||||||||||||||||
|
Many of my FPV fixed wing aircraft have a Flip32 F1 flight controller running iNav software. The Flip32 F1 flight controller has accelerometers, gyros, a baro sensor for altitude, and MinimOSD hardware. I use MWOSD software version 2.0.0.1. MWOSD Configurator 2.0 works with all the latest flight controller software and only costs £1.99. It is well worth the small cost, and you are supporting the developers who have put a lot of time into this building this software. The Flip32 F1 is a variant of the Naze32 flight controller. ARM STMF1 flight controllers, such as the Naze32 and CC3D, are not supported after iNav version 1.7.3, and not all capabilities are supported even with 1.7.3 because there is not enough flash space on the F1 processor to hold everything iNav can do. While the F1 may not support the latest software updates on iNav and BetaFlight, it is still easily capable of controlling most fixed wing remote control aircraft. If you want a special version of iNav for a F1 based flight controller, you need to set the #define attributes in the source code and compile your own unique version using 1.7.3 or earlier. I have selected version 1.7.2 due to some compile complexity with 1.7.3. The Flip32 does not have any space for recording data, so I have turned off BLACKBOX. The AUTOTUNE flight mode for fixed wing aircraft is not supported by default, so I have enabled AUTOTUNE. I have also enabled the CROSSFIRE receiver protocol and TELEMETRY on my iNav 1.7.2 compile. I wanted to add GPS to this flight controller setup, and like most other F1 processors, the Flip32 F1 only has two hardware serial ports. Those two ports are already in use for the OSD/USB and CROSSFIRE serial receiver connections, so a GPS receiver is not supported in this configuration with only the hardware serial ports. Several websites and iNav setup descriptions state that the software serial ports should not be used for GPS, as it will not be reliable. This is not true in my experience. I have set up GPS at 9600 baud with no issues on a software serial port. This baud rate is fast enough to receive GPS updates at 5 Hz using the uBlox communications protocol with no errors. The Flip32 F1 processor runs at < 20% CPU load with all this enabled, when controlling a fixed wing aircraft and running iNav 1.7.2. If you use a Flip32 F1 flight controller, check the 5V and
3.3V outputs on the board carefully; they are not always labeled correctly or
provide the actual voltages per the specifications. The 5V outputs on my
boards are anywhere between 3.6V and 4.9V. The 3.3V output seems to be
spot-on, but the drawings for the Flip32 variant I use say the default voltage
on SW-UART2 is 5V; it is actually 3.3V by default, so you have to solder jumper
14 to get 5V. Don't fry a Rx or GPS by plugging it into an incorrectly
labeled voltage; ask me how I know that hard lesson. |
|||||||||||||||||||||||||||||||||||||||||||||||||||||||||||||||||||||||||||||||||||
|
The Flip32 F3 flight controller has a normal jumper setup that can
connect: COM1 to USB, USB to OSD, and OSD to COM2. This last connection seems
a waste to me, as you lose the COM2 port for other uses when it is connected to
the OSD, while COM1 is unused. Instead of the standard jumper, make an extended
jumper connection using two bind plugs to connect the flight controller COM1 to
the OSD. With this setup, COM2 (pin 4, top and bottom of board) becomes
available for other uses; I have COM2 connected to the GPS receiver. This is
shown in these images below to the right, with COM2 connected to the GPS
receiver with the yellow and green wires. COM3 is connected to the Crossfire
receiver in these aircraft.
|
|||||||||||||||||||||||||||||||||||||||||||||||||||||||||||||||||||||||||||||||||||
|
Receiver: The built-in receiver has a 1/4 wave whip antenna coming straight off the board. I modified that into a dipole and extended it above the body of the Floss quadcopter I used as a test-bed. The receiver communicates to the ARM F3 via COM2, and it works fine ... at less than ~300 feet. If you fly beyond that range, you WILL lose link. There are two 4-pin connectors and one 2-pin connector on the board, but they are only there to provide 5V and VBAT for LEDS and external devices. The only IO brought out from the ARM F3 is the LED_STRIP control pin, A08 as defined in the BetaFlight SPEV target.c. Rather than use the range-limited internal receiver, I used 'resource' to redefine that LED_STRIP as PPM, and connected an external FrSky R-XSR receiver. I changed the SBUS output to PPM and connected that receiver to this flight controller. I get RSSI telemetry back to the ground with the R-XSR receiver bound to my TX16S. Now that I had everything working for the external receiver, I decided to update the BetaFlight firmware. I later moved removed the FrSky receiver and connected a Spektrum Orange 617XL PPM receiver, which also works great with this flight controller. Motor Resources: This flight controller is delivered with BetaFlight 3.2.3, target = SPEV. I flashed BetaFlight 4.0.6, which is the last version of BetaFlight with support for F3 flight controllers. The BetaFlight target SPEV default motor resources are not correct for this flight controller. See below for the default resources and how they are actually connected for this flight controller board. If you flash the default SPEV target of BetaFlight, one of the motors will not work and the other three will be in the wrong locations; see yellow section below. I reset the motor resources to their original delivered configuration. I still had other issues with 4.0.6 including higher CPU loading, so I went back to 3.2.3 and the flight controller runs fine. Note that BetaFlight 3.2.x was also the last F3 SPEV target to support SOFT-SERIAL by default, so if you want to use SOFT-SERIAL with a later BetaFlight F3 SPEV version, you will need to compile your own special software. I also had to re-order the motor resources as I have the ESC board turned around 180 degrees. For 180 degree yaw : motor 1 (right rear) becomes motor 4 (front left) [A02], motor 2 (front right) becomes motor 3 (left rear) [A06], motor 3 (left rear) becomes motor 2 (front right) [A00], and motor 4 (front left) becomes motor 1 (right rear) [A01]. The flight controller is connected with the ESC board via a vertical set of pins, so it has to be turned 180 degrees as well, which requires the sensor yaw orientation to be changed by 180 degrees. The final resource setup I used for the XQUAD mix, with the built-in DSMX receiver turned off, LED_STRIP used as PPM input, and flight controller and ESC board yawed 180 degrees : COM1 - COM3 : disabled (do not use the built-in DSMX receiver, which is on COM2)
No other IO is brought to connectors, so further expansion requires soldering directly to the pins at the ARM F3. The corner pins are easily accessible for soldering.
To open COM2 for external use, solder to corner pin 13 (A03 = UART 2 RX) and corner pin 37 (A14 = UART 2 TX), and make these resource changes at the CLI : > resource SERIAL_TX 2 A14 // corner pin 37, UART 2 TX is already A14, included here for completeness > resource SERIAL_RX 2 A03 // corner pin 13, move UART 2 RX from A15 (built-in DSMX receiver) to A03 (alternate function = UART 2 RX)
DUPLEX COMMUNICATIONS (two way, both directions simultaneously via two wires) : With all this in place, we have opened up the full UART 2. This UART can be used for duplex communications such as GPS, MWOSD, or a duplex serial receiver such as CROSSFIRE. Define how it will be used in BetaFlight Configurator Ports tab. I have set up UART 2 TX & RX to receive commands and send telemetry via CROSSFIRE, and I can confirm this works with data going both ways.
SIMPLEX COMMUNICATIONS (one way via one wire) : You can also do a one-way serial connection from a device (Spektrum Satellite, S.BUS, ESC telemetry) to the flight controller through UART 2 RX. I set up UART 2 RX on A03 to receive S.BUS uplink commands, which I can confirm works fine. This leaves UART 2 TX (A14) unused. I re-assigned A14 to SERIAL 11 (SOFT-SERIAL 1) TX/RX, to send SmartPort downlink telemetry data. This did not work, no matter how it was configured (TLM_INVERTED = ON/OFF, TLM_HALFDUPLEX = ON/OFF). There must be a conflict for A14 that does not allow it to be used as a SOFT-SERIAL. I was able to get SmartPort downlink telemetry data to be sent from this flight controller to the R-XSR receiver (un-inverted hack) on the LED_STRIP pin (A08) defined as SERIAL 11 (SOFT-SERIAL 1) TX/RX. (TLM_HALFDUPLEX = ON, TLM_INVERTED = OFF)
HALF-DUPLEX COMMUNICATIONS (two way, one direction at a time via one wire) : You can also run half-duplex receivers (F.PORT/SRXL) through UART 2. If using UART 2 for half-duplex communications (F.PORT/SRXL/SMARTAUDIO), connect the device through UART 2 TX, as the transmit side of a UART is used for one-wire two-way communications. I was able to get F.PORT uplink commands to be received on UART 2 TX, but was unable to get F.PORT downlink telemetry to be sent by this flight controller. I put the serial line on an oscilloscope and the only data visible was the F.PORT uplink commands, which is the same as S.BUS uplink commands, but received by the UART 2 TX instead of the UART 2 RX. I also tried with the un-inverted hack on the R-XSR receiver, and got the same results.
Additional links for this DroneArt F3 flight controller :
https://www.reddit.com/r/Multicopter/comments/1dls2nb/does_anybody_know_this_controller/
https://hobbyking.com/en_us/micro-f3-flight-controller-combo-with-dsmx-dsm2-receiver-4x20a-esc.html https://www.amazon.com/stores/DroneArt/Imprimo/page/2522790E-8E41-45F9-8D88-59A54BAFFB66 https://www.digitec.ch/en/s1/product/droneart-rc-eye-imprimo-fpv-spectrum-5-min-68-g-drone-8448025 |
|||||||||||||||||||||||||||||||||||||||||||||||||||||||||||||||||||||||||||||||||||
iNav and BetaFlight Software Versions + Matching Configurator Versions
|
Flight Controller Hardware |
iNav Version |
Major Changes |
Release Notes |
iNav Configurator |
|
F1, F3, F4, F7 |
< 1.7.x |
1.7.3 = first stand-alone Configurator |
||
|
F1, F3, F4, F7 |
1.7.x |
Last all F1's supported version |
1.7.3 |
|
|
(Few F1's), F3, F4, F7 |
1.8.x |
OSD changes, SmartAudio |
1.8.x |
|
|
(Few F1's), F3, F4, F7 |
1.9.x |
Last few F1’s supported
version Pass-through -> manual, NAV launch |
1.9.x |
|
|
|
||||
|
F3, F4, F7 |
2.0.x |
OSD config, Airmode w/ MOTOR_STOP |
2.0.x |
|
|
F3, F4, F7 |
2.1.x |
Last all F3’s supported
version Dshot |
2.1.x |
|
|
|
||||
|
(Few F3's), F4, F7 |
2.2.x |
No ARMING with sticks |
2.2.x |
|
|
(Few F3's), F4, F7 |
2.3.x |
ESC telemetry, Dynamic filtering, Global functions |
2.3.x |
|
|
(Few F3's), F4, F7 |
2.4.x |
USB access for SD card, RH offset |
2.4.x |
|
|
(Few F3's), F4, F7 |
2.5.x |
PWM Rx removed |
2.5.x |
|
|
(Few F3's), F4, F7 |
2.6.x |
Last few F3’s supported version |
2.6.x |
|
|
F4, F7 |
3.0.x |
Many - See release notes |
3.0.x |
|
|
F4, F7 |
4.0.x |
Many - See release notes |
4.0.x |
|
|
F4, F7 |
4.1.x |
Many - See release notes |
4.1.x |
|
|
F4, F7 |
5.0.x |
Many - See release notes |
5.0.x |
|
|
F4, F7 |
5.1.x |
Many - See release notes |
5.1.x |
|
|
F4, F7 |
6.0.x |
Many - See release notes |
6.0.x |
|
|
F4, F7 |
6.1.x |
Many - See release notes |
6.1.x |
|
|
F4, F7 |
7.0.x |
Many - See release notes |
7.0.x |
|
|
F4, F7 |
7.1.x |
Last F411 supported version Many - See release notes |
https://github.com/iNavFlight/inav/releases/tag/7.1.0
|
7.1.x |
|
Flight Controller Hardware |
BetaFlight Version |
Major Changes |
Release Notes |
BetaFlight Configurator |
|
F1, F3, F4, F7 |
< 3.1.x |
10.0 = first stand-alone Configurator |
||
|
F1, F3, F4, F7 |
3.1.x |
Last F1 supported version |
https://github.com/betaflight/betaflight/releases/tag/v3.1.0 |
10.1 |
|
F3, F4, F7 |
3.2.x |
F7 full support |
https://github.com/betaflight/betaflight/releases/tag/v3.2.0 |
10.1 |
|
F3, F4, F7 |
3.3.x |
FrSky FPort added, BiQuad RC+FIR2 filter, SA bug F3's lose some features such as Soft-Serial |
https://github.com/betaflight/betaflight/releases/tag/v3.3.0 |
10.2 |
|
F3, F4, F7 |
3.4.x |
GPS rescue, USB access for SD card, F7 performance |
10.3 |
|
|
F3, F4, F7 |
3.5.x |
Feed-forward PID, Dynamic notch filter |
10.4 |
|
|
F3, F4, F7 |
4.0.x |
Last F3 supported version ESC RPM filtering, launch control |
10.5 |
|
|
F4, F7 |
4.1.x |
Reworked bidirectional Dshot, VTX control |
10.6 |
|
|
F4, F7 |
4.2.x |
Gyro loop native speed |
10.7 |
|
|
F4, F7 |
4.3.x |
Many - See release notes |
10.8 |
|
|
F4, F7 |
4.4.x |
Many - See release notes |
10.9 |
|
|
F4, F7 |
4.5.x |
Many - See release notes |
10.10 |
|
6' Relay Pink Wing FPV + 4' Razor Wing FPV : Radio and Flight Controller Setup

6' Relay Ping Wing FPV + 4' Razor Wing FPV + RadioMaster TX16S Transmitter with
Crossfire Module
This FPV wing is used as an airborne relay for
controlling the Razor FPV wing. This flying combination uses the most
complicated radio and electronics setup that I have ever implemented for the RC
hobby. The EdgeTx and
iNav software settings are defined below. The photo above shows the Relay and Razor wings together, after their first
dual flight. Power comes from a 480 outrunner with a 50A ESC, running on
a 3S lipo.
FLYING - FPV
Both planes are controlled from a single RadioMaster TX16S transmitter
running EdgeTx software, with a Crossfire RF module. The TX16S
transmitter does not directly control the Razor wing, as the control
link goes from the TX16S to the Relay wing via Crossfire, and then from
the Relay wing Crossfire receiver to a Lemon DSMP transmitter module in
the Relay wing via PPM, and finally back down to the Razor via DSMX. The
video link is similar but in the opposite direction; the Razor’s video
transmitter is on frequency B, which is received by a video receiver in
the Relay wing. The Relay wing then re-transmits that video signal using
its own video transmitter on frequency A. Video goggles on the ground
monitor frequency A.
Using this wing as a relay station for both control uplink and video
downlink allows for line of sight (LOS) from the ground to the FPV Relay
wing flying high to the Razor FPV wing flying low. The Relay wing has a
GPS receiver and a F4 flight controller running iNav 7 software,
allowing for automatic navigation. The Relay wing is launched first, flown
to altitude, and then placed in autonomous loiter. The Razor wing is
then launched and flown normally, with its control and video links passing through
the Relay wing. Once the Razor wing has landed, the Relay wing is taken
out of autonomous loiter and landed normally. The Relay wing also has
its own on-board camera. A remote controlled video switch in the Relay
wing is used to select which signal is sent to its video transmitter;
the Relay wing’s own camera or the video signal received from the Razor
wing. A SmartAudio connection from the Relay wing flight controller to
its video transmitter allows for instant video frequency and power
control from the ground via iNav's logic functions and video transmitter
control.
Omnibus F4 V3 flight controller, with baro pressure sensor, 3-6S input (PDF
manual by Von Flori)
- flashed and configured iNav 7.1.1 and iNav OSD via USB
- flight controller has 5V regulator, also provides power to GPS &
Crossfire Rx
- LC filter + large capacitor on main power at FC to condition and smooth voltage
- COM1 : SmartAudio control of video transmitter, switch on TX16S
instantly sets low or high power
- COM3 : GPS
- COM6 : Crossfire uplink commands, downlink telemetry
Crossfire Nano Receiver (915 MHz) - to F4 flight controller COM6
- use TBS LUA scripts on TX16S transmitter to configure Rx output channels
- Rx channel 1 : PPM out - to Lemon DSMP Transmitter Module via signal
conditioner
- Rx channel 3 & 4 : Crossfire Rx/Tx - to F4 Flight Controller
running iNav 7.1.1
Eachine TX1200 5.8 GHz Video Transmitter
- on video frequency A : this video signal is transmitted to FPV goggles
on the ground monitoring channel A
- video frequencies A and B need to be separated as much as possible (E3
and E6 when possible)
- SmartAudio to F4 flight controller COM1, allows changes to
frequency and power through iNav
Boscam/Skyzone RC305 5.8 GHz Video Receiver
- on video frequency B : this video signal is received from the Razor
FPV aircraft
- video frequencies A and B need to be separated as much as possible (E3
and E6 when possible)
- frequency selection via DIP switches within band E for this model
video receiver
-
RealAcc TFP-Mini Triple Feed Patch Antenna facing down inside wing
Lemon DSMP Transmitter Module (2.4 GHz)
- Crossfire receiver PPM output goes to Lemon DSMP Transmitter Module PPM input through
home-made signal conditioner
- Home-made signal conditioner: Crossfire receiver output 3.3V (LVTTL) PPM signal is raised to 5V
(TTL) PPM signal using two transistors and 5V
reference (7805)
- Lemon DSMP Transmitter Module is also powered by the 7805 voltage regulator (DSMP module
power supply valid range = 4.8V to 12V)
- Lemon Stabilized Receiver in Razor FPV aircraft is bound to Lemon DSMP Transmitter Module
- Lemon DSMP Transmitter Module can be removed from Relay Wing and plugged directly
into TX16S to fly Razor FPV without Relay Wing
Beitian BE-220
GPS receiver - to F4 flight controller COM3
Mista MS-519 FPV Nose Camera
ViFly Two Input Video Switch
- Onboard nose camera output and video Rx output are fed to video switch
as
input channels 1/2
-
Input 1: Onboard Nose Camera
-
Input 2: Boscam 5.8 GHz Video Receiver : This video signal is received from
Razor FPV
aircraft transmitting on frequency B
- Video switch output selection is controlled by PWM signal from F4
flight controller PWM 6 : video switch output goes to FC OSD input
- FC OSD overlays Relay Wing data (GPS, battery, etc.) to top of video
feed
- Razor OSD overlays Razor Wing data (name, voltage, timer) to bottom of
video feed
- FC OSD output goes to 5.8 GHz video transmitter
Remote Power Switch
- Controls power to relay equipment : 5.8GHz video receiver and Lemon
DSMP Transmitter Module
- Power switch selection is controlled by PWM signal from F4 flight
controller output PWM 5
- This equipment can remain off if second aircraft is not being flown
- There is a physical switch on the relay equipment, but a method
of remote power control is also needed
F4 Flight Controller iNav 7.1.1
PWM Channel Outputs (mmix and smix):
PWM 1 : Motor 1 : MMIX 0 : Motor control to ESC
PWM 2 : Motor 2 : MMIX 1 : Not used, iNav reserves this channel for a
second ESC due to the way timers work on ARM processors
PWM 3 : Servo 1 : SMIX 1 + 2 : Elevon Left - receives 50% stabilized
pitch + 50% stabilize roll
PWM 4 : Servo 2 : SMIX 3 + 4 : Elevon Right - receives 50% stabilized
pitch + -50% stabilize roll
PWM 5 : Servo 3 : SMIX 5 : Logic conditions on uplink channel 5 drive
this output to 1000
μs
or 2000
μs
for remote power switch control : on/off
- two ranges are valid for switch ON : switch SH high + switch SC high /
switch SH low + switch SC high
PWM 6 : Servo 4 : SMIX 6 : Logic conditions on uplink channel 7 drive
this output to 1000
μs
or 2000
μs
for video switch control : video feed 1/2
- two ranges are valid for each video switch condition : (
switch SB = 1750
μs + switch SA any position ) > 1500
μs , ( switch SB =
1250
μs + switch SA any position ) < 1500
μs
<insert image capture of iNav Programming Tab>
Special Compile Versions of iNav 7.1.1
Caipirinha Flying Wing, Flight Controller:
Banggood
OMNIBUS F4 [V1] "3.2.0"
- default IO: 3x COM ports (COM1, COM3, COM6) + 6x PWM
- no built-in barometric altitude sensor
- barometric altitude sensor added to external IC2 device 2, IC2-2 shares IO with
COM3, so COM3 pins cannot be used as UART
- COM3 = Tx / Rx pins become I2C-2_SCL / I2C-2_SDA (clock and data)
- COM1 = Crossfire receiver
- COM6 = GPS receiver
There are multiple OMNIBUS F4 targets for iNav:
- Target "OMNIBUSF4" is used for Omnibus F4 [V1] "3.2.0"
- Target "OMNIBUSF4V3_SS_S6" is not compatible with Omnibus F4 [V1] “3.2.0”
and barometric sensor on I2C-2
- Target = OMNIBUSF4,
Standard Compile :
A08 --> M6
pad, output timer in target.c, motor/servo 6 in target.c
A01 --> M5
pad, output timer in target.c, motor/servo 5 in target.c
C09 --> CH6
pad on standard OMNIBUSF4, any timer in target.c, SoftSerial Tx in
target.h
C08 --> CH5
pad on standard OMNIBUSF4, any timer in target.c, SoftSerial Rx in
target.h
- C08 / C09 are not physically brought to any solder pads on
the non-standard Omnibus F4 [V1] “3.2.0”
- Option 1 : Solder directly to
ARM F4 at C08 / C09 on
tiny solder connections at ARM chip
- Option 2 :
Re-compile OMNIBUSF4 to different IO that has solder pads
Omnibus F4
"3.2.0" has pads for M5/M6
--> use M6
Changes to code in target OMNIBUSF4 :
timers in target.c,
IO definitions in target.h
- Target = OMNIBUSF4, Custom compile for Omnibus F4 [V1] “3.2.0” to allow soft-serial on
accessible solder pad :
A08 --> M6
pad, any timer in target.c, SoftSerial Tx and SoftSerial Rx in target.h;
i.e. connect SmartAudio to S6
A01 --> M5
pad, output timer in target.c, motor/servo 5 in target.c, i.e. leave
code alone
C09 --> no
pad, any timer in target.c, no definition in target.h; i.e. not used
C08 --> no
pad, any timer in target.c, no definition in target.h; i.e. not used
6' Travel Flying Wing, Flight Controller: ARTower F4 Plus
![]() |
VTx was de-soldered from board; this old VTx did not have enough RF
power to be useful for video transmission, but still drew lots of current from
the 5V regulator. Target "OMNIBUSF4PRO" is used for ARTower F4 Plus, supports SD card - 9x IO by default: 1.5 COM ports (RX1, TX3, RX3) + 4x PWM + 1x PPM + 1x LED_STRIP - LED_STRIP (B06) has alternate function as TX1 : see ARM Cortex M4 Datasheet, page 63, table 9 - remap B06 in target.h (line 131) from LED to TX1 and remove LED definition (line 261) : this provides 2 complete COM ports : TX1, RX1, TX3, RX3 - TX3 and RX3 could also be used for I2C bus 2 clock and data : I2C2_SCL, I2C2_SDA - PPM (B08) can be remapped as needed if a timer setup can be used that does conflict with other functions. |
- I tried to use PPM as a SOFT-SERIAL COM port to control SmartAudio on VTx.
- SmartAudio (SA) is a serial protocol that runs at 4800 baud half-duplex (one way at
a time on a single wire) that allows remote control of a video transmitter's
frequency and power.
- B08 did not work as SOFT-SERIAL
- Analysis with an oscilloscope showed that SmartAudio output
from flight controller to the VTx at pin B08 was perfect with distinct edges and
logic highs and lows.
- However (!), when iNav releases the line to allow the VTx to
respond, the line was pulled low and the resulting status data from the VTx was
distorted with no clear edges.
- This was tested on several SmartAudio video transmitters
with the same results; caused by either a hardware issue with pin B08, or a
setting in iNav that I have not found.
- Result: VTx SmartAudio status was never received by the
flight controller, iNav does not send a VTx command until it receives a status
to its initial query.
- I then tested one of the PWM pins to see if it could be used as
SOFT-SERIAL; a test recompile showed this worked fine.
- analysis with oscilloscope showed the transmit data from
both directions was clear and not distorted
- I then tested the PPM pin to see if it could be used as motor/servo PWM
driver; this also worked fine.
- This seems to indicate that the PPM pin is not entering the Rx state
correctly, but the PWM pins do work well in both Tx and Rx.
- Swap some pins around; use one of the PMWs as SOFT-SERIAL and the PPM as
replacement PWM.
- Because of the way timers are shared, iNav usually reserves the first two PWM
outputs to motors and other PWM outputs to servos.
- The limiting factor is that motors and servos CANNOT share a timer. This
reduces control possibilities with only 4 PWM outputs.
- Updated definition of timers in target.c, and
appropriate selection of timer shared outputs in the iNav
7.x Mixer tab allows for : two COM ports, one motor, three servos, Soft-Serial
for SA
| WAS : OMNIBUSF4PRO Default Compile | NOW : OMNIBUSF4PRO Custom Compile #1 | ||||
| Function | Pin | Timer | Function | Pin | Timer |
| RX1 | A10 | n/a | RX1 | A10 | n/a |
| TX3 | B10 | n/a | TX3 / I2C2 SCL | B10 | n/a |
| RX3 | B11 | n/a | RX3 / I2C2 SDA | B11 | n/a |
| LED_STRIP | B06 | 4-1 | TX1 | B06 | n/a |
| PPM | B08 | 10-1 | S4 (servo) | B08 | 10-1 |
| M1 (motor) | B00 | 3-3 | S1 (servo) | B00 | 3-3 |
| M2 (motor) | B01 | 3-4 | S2 (servo) | B01 | 3-4 |
| S3 (servo) | A03 | 2-4 | M3 (motor) | A03 | 2-4 |
| S4 (servo) | A02 | 2-3 | Soft-Serial Tx/Rx | A02 | 5-3 |
The servo and motor outputs were coded in the special compile for compatible timers, and then were configured in the Mixer tab of the iNav Configurator, shown on the left below. The video transmitter power controls were configured in the iNav Programming tab, shown on the right below. These settings allow for a single switch on the transmitter to directly control the video transmitter power.
![]() iNav Configurator Mixer Tab for Timer Setup |
![]() iNav Configurator Programming Tab for VTX Power |
An alternate special compile could be made to provide a third COM port. A02 and A03 have alternate functions (AF) of UART 2 TX / UART 2 RX. B08 becomes a motor PWM on timer 10, with B00 and B01 remaining servos on timer 3. These outputs are available via alternate I/O definitions in target.h and target.c.
| WAS : OMNIBUSF4PRO Default Compile | NOW : OMNIBUSF4PRO Custom Compile #2 | ||||
| Function | Pin | Timer | Function | Pin | Timer |
| PPM | B08 | 10-1 | S3 (motor) | B08 | 10-1 |
| M1 (motor) | B00 | 3-3 | S1 (servo) | B00 | 3-3 |
| M2 (motor) | B01 | 3-4 | S2 (servo) | B01 | 3-4 |
| S3 (servo) | A03 | 2-4 | RX2 | A03 | n/a |
| S4 (servo) | A02 | 2-3 | TX2 | A02 | n/a |
RQ-7A Shadow ½ Scale Model Avionics
Power
6S = 25V, Main Battery Battery to PM02
6S = 25V, Main Battery Power after PM02
Flip32 F3 Flight Controller AIO Lite
AirBot Flip32 F3 AIO Lite and Typhoon 4-in-1 ESC
MINIMOSD + Video Power
8 Servo PWM Outputs
1 and 2 = Throttle RC Channel 1 Throttle
3 = Aileron (stabilized roll) RC Channel 2 Aileron
4 = Elerudder Left (stabilized pitch + stabilized yaw) RC Channel 3 + 4 Elevator + Rudder
5 = Elerudder Right (stabilized pitch + stabilized yaw) RC Channel 3 + 4 Elevator + Rudder
6 = Nose Steering (stabilized yaw) RC Channel 4 Rudder
7 = Flaps (pass through) RC Channel 7 Flaps, 3 Position Switch
8 = Spare
ARM/DISARM RC Channel 5 Left Rear 3 Position Switch
Flight Mode RC Channel 6 6 Buttons (Manual, Rate, Horizon, Position + Altitude Hold, Return Home, Autotune)
RSSI RC Channel 8 Crossfire Link Quality